
Descrição Detalhada do Produto
| Vantagem: | Alta velocidade | Velocidade de rotulagem: | 60-200pcs / min |
|---|---|---|---|
| Função: | Rotulagem adesiva adesiva | Material: | Aço inoxidável |
| Tipo de garrafa: | Frasco etiquetador de garrafa redondo automático | Inscrição: | Para todos os tipos de recipientes redondos |
| Marca Plc: | MITSUBISHI (Japão) | Motor de rotulagem servo: | DELTA (Taiwan) |
máquina de rotulagem de vinho tinto máquina de rotulagem de garrafa de vinho de vidro, sistema de controle PLC Máquina de rotulagem da marca MITSUBISHI
Recursos:
1. Operação: O sistema de controle PLC torna a etiquetadora fácil de operar
2. Material: O corpo principal da máquina de rotulagem é feito de aço inoxidável SUS304
3. Configuração: Nossas máquinas de rotulagem adotam peças bem conhecidas de marcas japonesas, alemãs, americanas, coreanas ou de Taiwan
4. Flexibilidade: O cliente pode escolher adicionar impressora e máquina de código; pode escolher se conectar com o conversor ou não.
Parâmetros técnicos:
| Nome | Garrafa de vinho redonda automática para máquina de rotulagem de garrafa redonda encolhível de alta velocidade |
| Velocidade de rotulagem | 60-350pcs / min |
| Altura do Objeto | 30-350 mm |
| Espessura do Objeto | 20-120 mm |
| Altura da Etiqueta | 5-180 mm |
| Comprimento da etiqueta | 25-300mm |
| Diâmetro interno do rolo de etiqueta | 76 mm |
| Diâmetro externo do rolo de etiqueta | 420mm |
| Precisão de rotulagem | ± 1mm |
| Fonte de energia | 220V 50 / 60HZ 3,5KW |
| Consumo de gás da impressora | 5Kg / m2 (se adicionar máquina de codificação) |
| Tamanho da máquina de etiquetagem | 2800 (C) × 1650 (L) × 1500 (A) mm |
| Peso da máquina de etiquetagem | 180kg |
Configuração
| Não. | Parte | marca | quantidade |
| 1 | PLC | MITSUBISHI (Japão) | 1 |
| 2 | Conversor principal | DANFOSS (Dinamarca) | 1 |
| 4 | HMI | WEINVIEW (Taiwan) | 1 |
| 5 | Motor de rotulagem servo | DELTA (Taiwan) | 1 |
| 6 | Motorista de servo rotulagem | DELTA (Taiwan) | 1 |
| 7 | Motor transportador | HY (Taiwan) | 1 |
| 8 | Caixa de engrenagens do motor do transportador | HY (Taiwan) | 1 |
| 9 | Motor de garrafa de divisão | GPG (Taiwan) | 1 |
| 10 | Caixa de engrenagens do motor da garrafa de divisão | GPG (Taiwan) | 1 |
| 11 | Regulador de velocidade do motor de separação de garrafas | GPG (Taiwan) | 1 |
| 12 | Motor de raio | GPG (Taiwan) | 1 |
| 13 | Caixa de engrenagens do motor raio | GPG (Taiwan) | 1 |
| 14 | objeto detectar olho mágico | OMRON (Japão) | 1 |
| 15 | fibra ótica | OMRON (Japão) | 1 |
Detalhe da máquina:

32 peças da máquina de etiquetagem principal

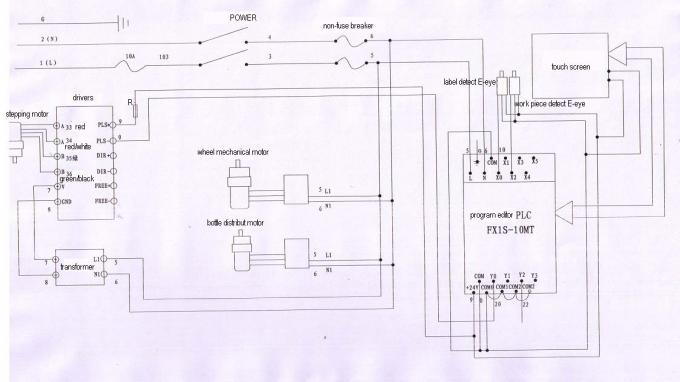
Diagrama de circuito

PERGUNTAS FREQUENTES:
1.label fica com bolhas
Razões:
① a remoção da placa não está boa / não está plana;
② a tábua do arado não é boa / plana;
③ a saída da rotulagem é muito rápida ou a velocidade da linha de montagem é muito baixa;
④ a etiqueta está muito solta
Soluções:
① alterar uma casca plana da placa;
② mudar uma placa de arado plana;
③ diminuir a velocidade de saída da etiquetagem ou aumentar a velocidade da linha de montagem;
④ impactar a correia da etiqueta de maneira adequada.
Tag: rotuladora industrial, rotuladora de garrafas de vidro









